Products

FOUR-POINT CONTACT BALL BEARINGS

Due to the large contact angle on both sides, the bearings can support alternating, pure axial or predominantly axial loads.

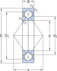
Four point contact bearings are similar in their structure to double row angular contact ball bearings, but are considerably narrower in an axial direction due to only one raceway groove. Since the centres of curvature of the arc-shaped raceways on the inner ring and outer ring are offset relative to each other, the balls are in contact with the bearing rings at four points under radial load. For this reason, four point contact bearings are only used under predominantly axial load.

Here you can find a few different versions

Four-point contact ball bearings

Four-point contact ball bearings - INA FAG SCHAEFFLER